Lunasol Logistics Lunasol Logistics

Automated Palletizer Robot Arm Robotic Bag Depalletizing and Breaking Bags Palletizing Robot Arm

Customization: Available
Automatic Grade: Full-Automatic
Load Capacity: 180kg

Product Description

Basic Specification
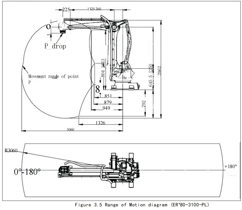
Model NO.ER180-3000 PL
Reach3060 meters
UsageMachining, Material Handling
Palletizing Speed200-800 Bags/Hour
Power220V/380V
Machine MaterialContact Parts 304ss
Robot GripperCustom Designed
WarrantyOne Year
Control ModePoint to Point Control
CertificationCE, ISO
Production Capacity2000 Units/Year
Product Overview
Palletizing Robot Arm

The 4-axis design of the ER180-3100-PL, with a reach distance of 3.15 meters and an effective load capacity of 250 kilograms, makes it an ideal stacking tool for packaging materials such as bags, boxes, crates and bottles. This equipment adopts PLC touch screen and intelligent managing which is not only simple and easy to master, but also reduces labor intensity.

Available Models:
• ER60-2000-PL (60kg Payload)
• ER120-2400-PL (120kg Payload)
• ER180-3100-PL (180kg Payload)
Technical Specifications
Spec 1 Spec 2 Spec 3
Key Machine Features
⚙️Simple structure, easy installation and maintenance.
🔌Advanced world-famous brand pneumatic and electric components.
💻Flexible software modification for production line changes.
🤖High automation and intellectualization with no pollution.
📏Space-saving design and more flexible than traditional palletizers.
🔋Power failure protection function for safety.
⏱️High production efficiency with 24/7 working capability.
📦Handles multiple pallet sizes and vapor barriers/slip sheets.
Machine Details & Certification
Detail 1 Detail 2 Detail 3
CE 1 CE 2 CE 3
Scope of Application
Application

Main applications: Material handling / Packing / Assembly

Widely used in production lines for beer, water, soft drinks, milk, beverage, and foodstuff. It handles cartons, plastic crates, bottles, bags, barrels, and shrink-wrapped products efficiently.

Frequently Asked Questions
Can your machine be customized?
Yes, we are a professional manufacturer specialized in palletizing robots, packaging machines, and conveyors for over 15 years. We can design and manufacture according to your specific requirements.
How can I get an accurate quotation?
Please provide the details of your project and the workpiece, including drawings, dimensions, and production capacity requirements.
What are the payment terms and delivery time?
Typically, a 30% down payment is required upon order, with the remaining 70% paid before delivery. Delivery time is approximately 20-30 working days after receiving the formal order and deposit.
What is the warranty policy?
We offer a 12-month warranty following delivery. We also provide 24-hour online service to assist with any technical issues or replacement parts check.
How is the equipment packaged for shipping?
All goods are wrapped in protective film and then securely packed in exported wooden cases to ensure safety during transit.
Do you provide installation and training?
Yes, engineers are available to provide machinery service overseas, assisting with installation, debugging, and staff training.
Product 1 Product 2 Product 3

Related Products