Lunasol Logistics
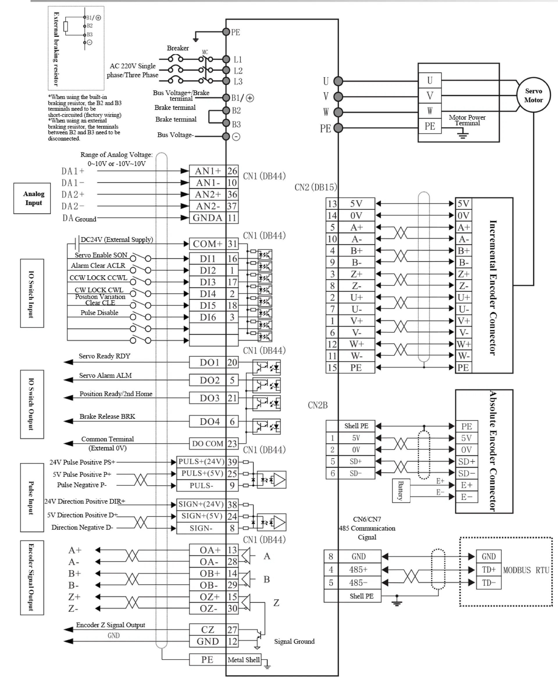
E6-30A AC Servo Driver: High-performance AC servo driver designed for motors up to 2.3KW. Engineered for stability, low noise, and precision performance.
Our servo drives utilize fully digital technology, powering AC servo motors from 50W to 2300W. These drivers are ideal for automation machinery including CNC milling machines, lathes, engraving equipment, and electronic manufacturing tools. They are specifically optimized for applications requiring high speed, high accuracy, and minimal motor noise.
System Highlights:
• Encoder Support: Incremental (2500PPR) / Absolute (17bits/23bits)
• Control Methods: Position Control (Pulse+Direction), Modbus (RS485)








CNC Controller Package
CNC Lathe Package
To better ensure the safety of your goods, professional, environmentally friendly, and efficient packaging services are provided, including export wooden crates for heavy machinery.